國家發展改革委等部門發布2025年版煤炭清潔高效利用標桿與基準水平

2025-12-18 09:42  來源:維度網  瀏覽:  


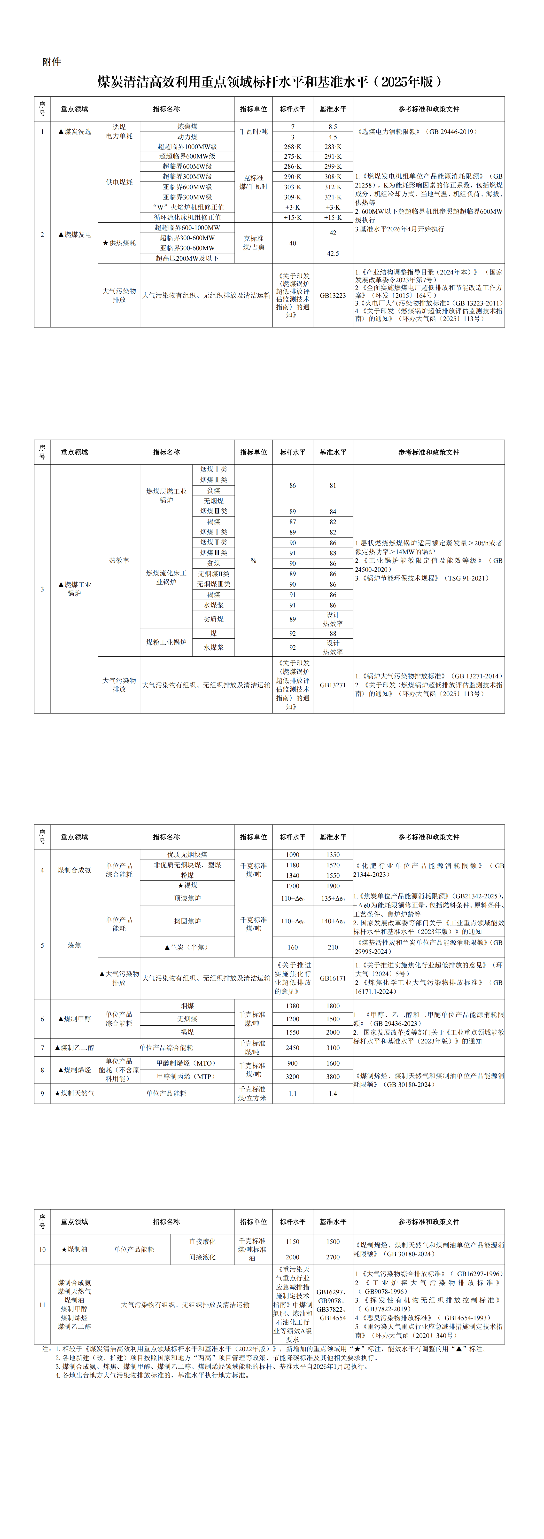
國家發展改革委等部門關于發布《煤炭清潔高效利用重點領域標桿水平和基準水平(2025年版)》的通知

發改運行〔2025〕1499號

各省、自治區、直轄市、新疆生產建設兵團發展改革委、工業和信息化主管部門、生態環境廳(局)、住房和城鄉建設廳(委、管委、局)、市場監管局(廳、委)、能源局:

為貫徹落實黨中央、國務院決策部署,推動煤炭產業由低端向高端、煤炭產品由初級燃料向高價值產品攀升,按照《國家發展改革委等部門關于加強煤炭清潔高效利用的意見》(發改運行〔2024〕1345號),經商有關方面,現發布《煤炭清潔高效利用重點領域標桿水平和基準水平(2025年版)》,并就有關事項通知如下。

一、拓展重點領域范圍,強化導向引領作用

結合煤炭行業發展現狀和潛力,在此前重點領域能效標桿水平和基準水平的基礎上,將燃煤發電供熱煤耗、煤制天然氣等納入范圍。對標國內外煤炭清潔高效領域先進水平,以及國家、地方現行政策、標準中先進能效指標值和最嚴格污染物排放要求,完善煤炭清潔高效利用標桿水平。參考國家現行標準中的準入值或限定值,以及國家政策文件明確的相關指標,科學確定煤炭清潔高效利用的基準水平。煤炭清潔高效利用重點領域標桿水平和基準水平將視行業發展和標準制修訂情況進行動態調整,強化標桿水平引領作用和基準水平約束作用。

二、分類實施改造升級,著力提升利用水平

鼓勵和引導行業企業結合實際和長遠發展,對項目實施改造升級。對新建煤炭開發利用項目和有條件的存量項目,推動清潔高效利用水平應提盡提,力爭達到標桿水平。對清潔高效利用水平低于現有基準水平的存量項目,引導企業有序開展煤炭清潔高效利用改造,加快推動企業減污降碳,堅決依法依規淘汰落后產能、落后工藝。對需開展煤炭清潔高效利用改造的項目,各地應在不影響電力、熱力供應的情況下明確改造升級和淘汰時限(一般不超過3年)以及年度計劃,在規定時限內升級到基準水平以上,力爭達到標桿水平;對不能按期改造完成的項目予以淘汰。加強煤炭清潔高效利用工藝技術裝備研發和推廣應用,開展煤炭清潔高效利用項目評價,積極推動技術改造升級項目建設。

三、加大政策支持力度,加快推進轉型升級

充分利用現有政策工具和工作機制,加大煤炭清潔高效利用市場調節和督促落實力度。利用現有中央資金渠道,積極支持符合條件的煤炭清潔高效利用重點項目。健全完善相關金融政策,引導和吸引社會資本廣泛參與煤炭清潔高效利用。引導銀行業金融機構按照市場化、法治化原則加大對符合條件的綠色低碳轉型項目的信貸支持力度。落實專用裝備、技術改造、資源綜合利用等方面的優惠政策,加快企業改造升級步伐,提升煤炭清潔高效利用整體水平。

各地有關部門要充分認識推動煤炭清潔高效利用的重要意義,及時總結工作經驗,立足本地實際,加強統籌銜接,堅持系統觀念,強化責任落實,細化工作安排,加大推進力度,加快推動煤炭清潔高效利用,助力推進清潔低碳、安全高效的能源體系建設。

本通知自印發之日起執行,《國家發展改革委等部門關于發布〈煤炭清潔高效利用重點領域標桿水平和基準水平(2022年版)〉的通知》(發改運行〔2022〕559號)同時廢止。

國家發展改革委

工業和信息化部

生 態 環 境 部

住房城鄉建設部

市場監管總局

國 家 能 源 局

2025年11月24日

免責聲明:本網轉載自合作媒體、機構或其他網站的信息,登載此文出于傳遞更多信息之目的,并不意味著贊同其觀點或證實其內容的真實性。本網所有信息僅供參考,不做交易和服務的根據。本網內容如有侵權或其它問題請及時告之,本網將及時修改或刪除。凡以任何方式登錄本網站或直接、間接使用本網站資料者,視為自愿接受本網站聲明的約束。
相關推薦
全力推進煤電清潔高效利用 內蒙古能源集團與中煤西北能源、電規總院交流座談

全力推進煤電清潔高效利用 內蒙古能源集團與中煤西北能源、電規總院交流座談

3月24日,內蒙古能源集團黨委書記、董事長、總經理云鵬剛分別與到訪的中國中煤區域發展總監、中煤西北能源黨委書記、董事長王曉明,電規總院黨委常委、副院長劉國斌一行座談,圍繞產業發展、資源協同等進行了深入交流。云鵬剛對王曉明、劉國斌一行的到訪表示歡迎,并介紹了集團公司的產業布局及發展情況。他說,當前內蒙古能源集團全面落實自治區黨委1571工作部署,錨定國家重要能源和戰略資源基地建設,全力推進煤電清潔高效利用、風光大基地開...
國家發展改革委等部門發布2025年版煤炭清潔高效利用標桿與基準水平

國家發展改革委等部門發布2025年版煤炭清潔高效利用標桿與基準水平

國家發展改革委等部門關于發布《煤炭清潔高效利用重點領域標桿水平和基準水平(2025年版)》的通知發改運行〔2025〕1499號各省、自治區、直轄市、新疆生產建設兵團發展改革委、工業和信息化主管部門、生態環境廳(局)、住房和城鄉建設廳(委、管委、局)、市場監管局(廳、委)、能源局:為貫徹落實黨中央、國務院決策部署,推動煤炭產業由低端向高端、煤炭產品由初級燃料向高價值產品攀升,按照《國家發展改革委等部門關于加強煤炭清潔高效利用...
國家能源局關于推進煤炭與新能源融合發展的指導意見

國家能源局關于推進煤炭與新能源融合發展的指導意見

各省(自治區、直轄市)能源局,有關省(自治區、直轄市)及新疆生產建設兵團發展改革委、煤炭行業管理部門,各派出機構,有關中央企業:推進煤炭與新能源融合發展,加快煤炭礦區新能源資源開發利用,推動構建傳統能源與新能源協調發展新格局,對夯實能源穩定供應基礎、促進能源綠色低碳轉型具有重要意義。為深入貫徹落實黨中央、國務院決策部署,推進煤炭與新能源深度融合,加快構建新型能源體系,提出以下意見。一、總體要求以習近平新時代中國特色社會主...
探索煤炭清潔高效利用新路徑

探索煤炭清潔高效利用新路徑

  據媒體報道,日前由國內企業自主研發的粉煤加氫氣化聯產芳烴和甲烷技術,成功完成二代新型一體化煤加氫氣化爐工業示范裝置試車任務。這為我國煤炭清潔高效利用增添了新路徑。煤炭清潔高效利用包含洗選加工、直接燃燒發電和供熱供暖、煤化工深度轉化、煤基新材料、共伴生資源綜合利用、礦區生態環境保護等多專業和多領域,是建立具有強大新型能源體系、實現雙碳目標的關鍵支撐?! ∶禾孔鳛槲覈闹饕茉?,在支撐國民經濟持續發展中意...
全國首個煤炭碼頭零碳試點項目在黃驊港啟動

全國首個煤炭碼頭零碳試點項目在黃驊港啟動

  8月22日,國家能源集團黃驊港務公司發布零碳港口建設方案,標志著黃驊港煤炭港區零碳港口建設正式啟動,推進港口由綠色低碳向生態零碳方向發展。據悉,這是全國首個煤炭碼頭零碳試點項目。  今年6月,黃驊港煤炭港區三期碼頭零碳試點項目入選交通運輸部公路水路典型運輸和設施零碳試點項目首批試點名單?! 夷茉醇瘓F黃驊港務公司以此為契機,積極推進零碳港口建設方案的制定工作。  根據建設方案,黃驊港煤炭港區將以建設世界一流的...

推薦閱讀

熱點文章

Copyright © 能源界